Operation CHARM
: Car repair manuals for everyone.
Home
>>
Chevrolet
>>
1986
>>
K 10 P/U 4WD V8-379 6.2L DSL
>>
Repair and Diagnosis
>>
Body and Frame
>>
Locks
>>
Power Locks
>>
Diagrams
>>
Electrical Diagrams
>>
With Power Windows
>>
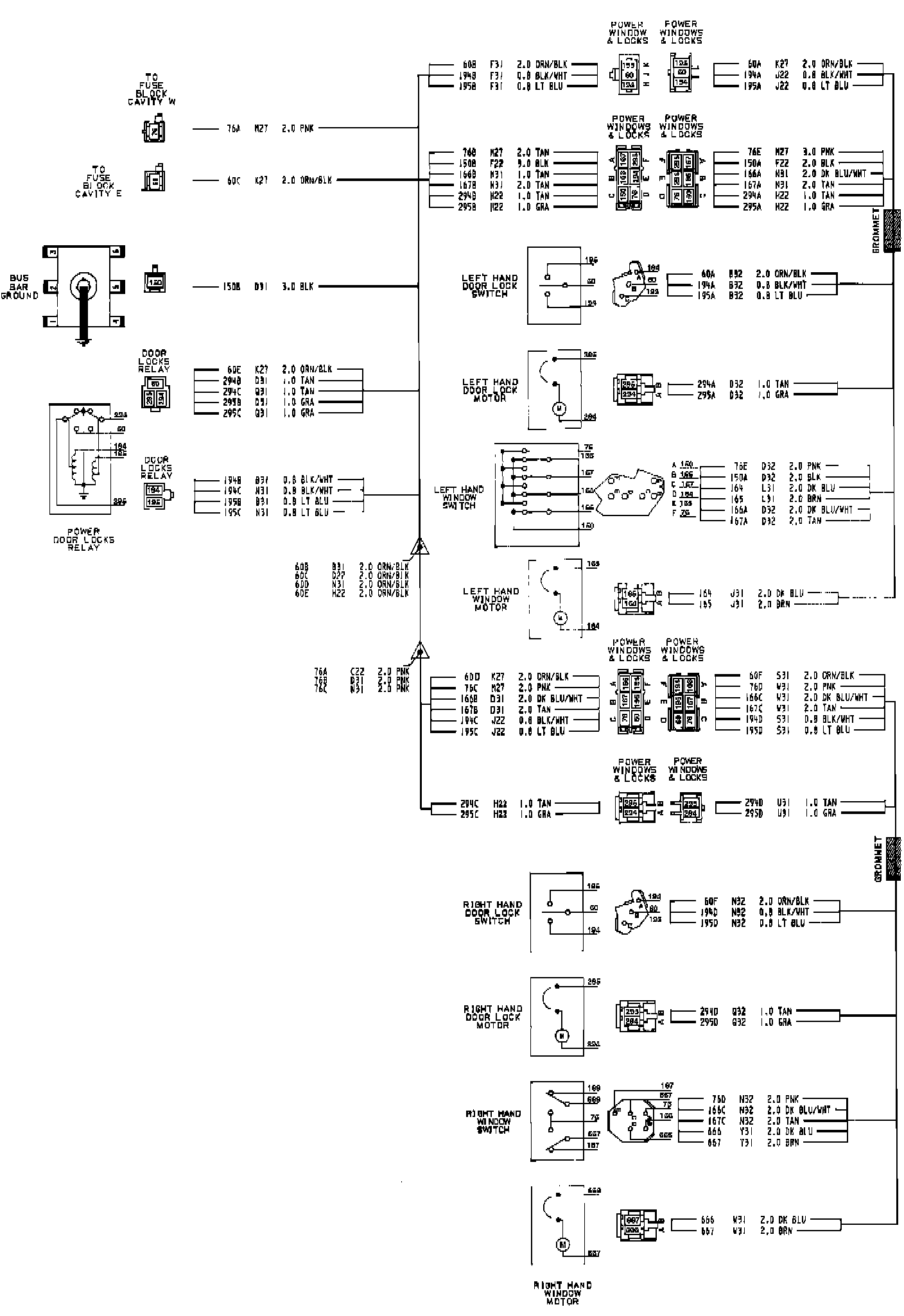
2 Door
2 Door
Power Door Lock & Power Window Wiring Circuit (2 Door):