Instrument Panel, Gauges and Warning Indicators: Service and Repair
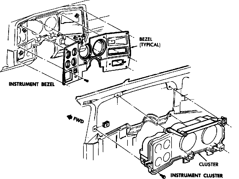
Fig. 16 Instrument bezel & cluster removal. C, K, R & V models:

C, K, R & V MODELS
1. Disconnect battery ground cable.
2. Remove headlight switch knob as outlined in ``Light Switch, Replace'' procedure.
3. Remove radio control knobs.
4. Remove steering column cover, if necessary.
5. Remove the eight instrument panel bezel attaching screws, Fig. 16, then the bezel.
6. Working from behind instrument cluster, disconnect speedometer cable.
7. Disconnect all lines and electrical connectors that will interfere with cluster removal.
8. Remove instrument cluster attaching screws, Fig. 16, then the instrument cluster.
9. Reverse procedure to install.