Operation CHARM
: Car repair manuals for everyone.
Home
>>
Chevrolet
>>
1986
>>
K 10 P/U 4WD V8-379 6.2L DSL
>>
Repair and Diagnosis
>>
Diagrams
>>
Electrical Diagrams
>>
Lighting and Horns
>>
Headlamp
>>
Headlights
>>
With 2 Headlights
With 2 Headlights
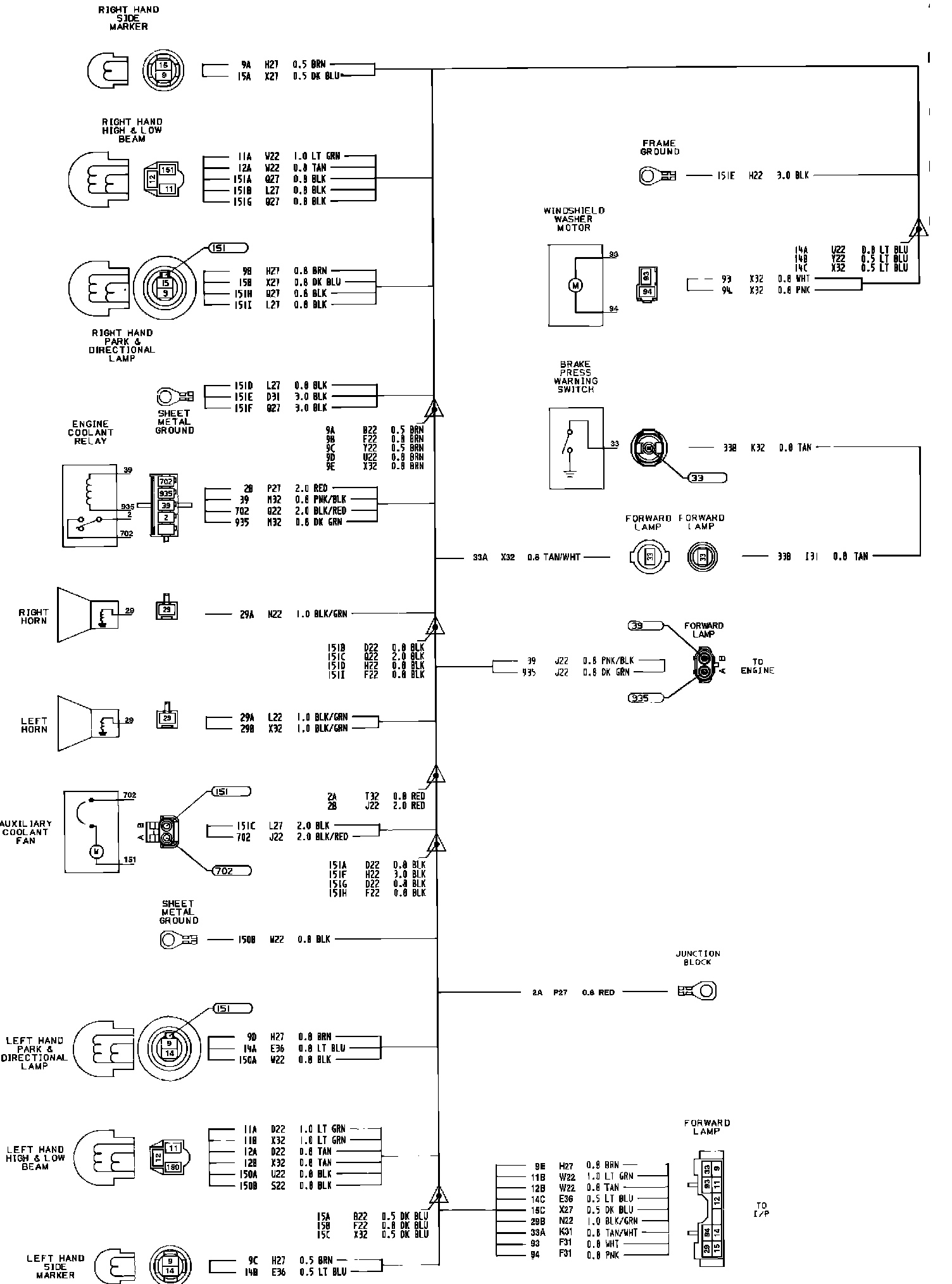
Forward Lamp Wiring Circuit Dual Lights: