Operation CHARM
: Car repair manuals for everyone.
Home
>>
Chevrolet
>>
1986
>>
K 10 P/U 4WD V8-379 6.2L DSL
>>
Repair and Diagnosis
>>
Diagrams
>>
Electrical Diagrams
>>
Lighting and Horns
>>
Turn Signals
>>
Turn Signal Lights
>>
Front T/S Lamps
>>
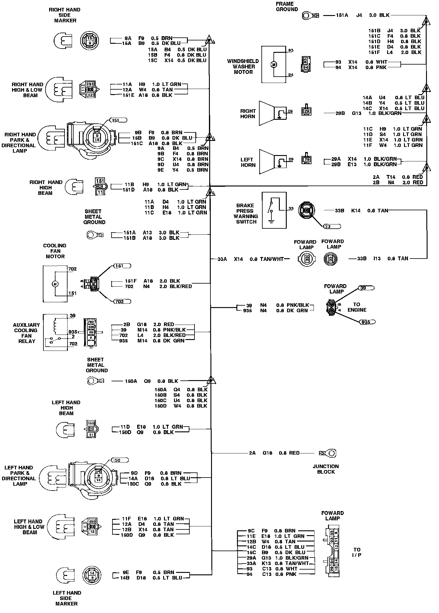
With 4 Headlights
With 4 Headlights
Forward Lamp Wiring Circuit: