Operation CHARM
: Car repair manuals for everyone.
Home
>>
Chevrolet
>>
1986
>>
K 10 P/U 4WD V8-379 6.2L DSL
>>
Repair and Diagnosis
>>
Diagrams
>>
Electrical Diagrams
>>
Powertrain Management
>>
System Diagram
>>
Automatic Transmission/Transaxle Controls
>>
K Models (4WD)
>>
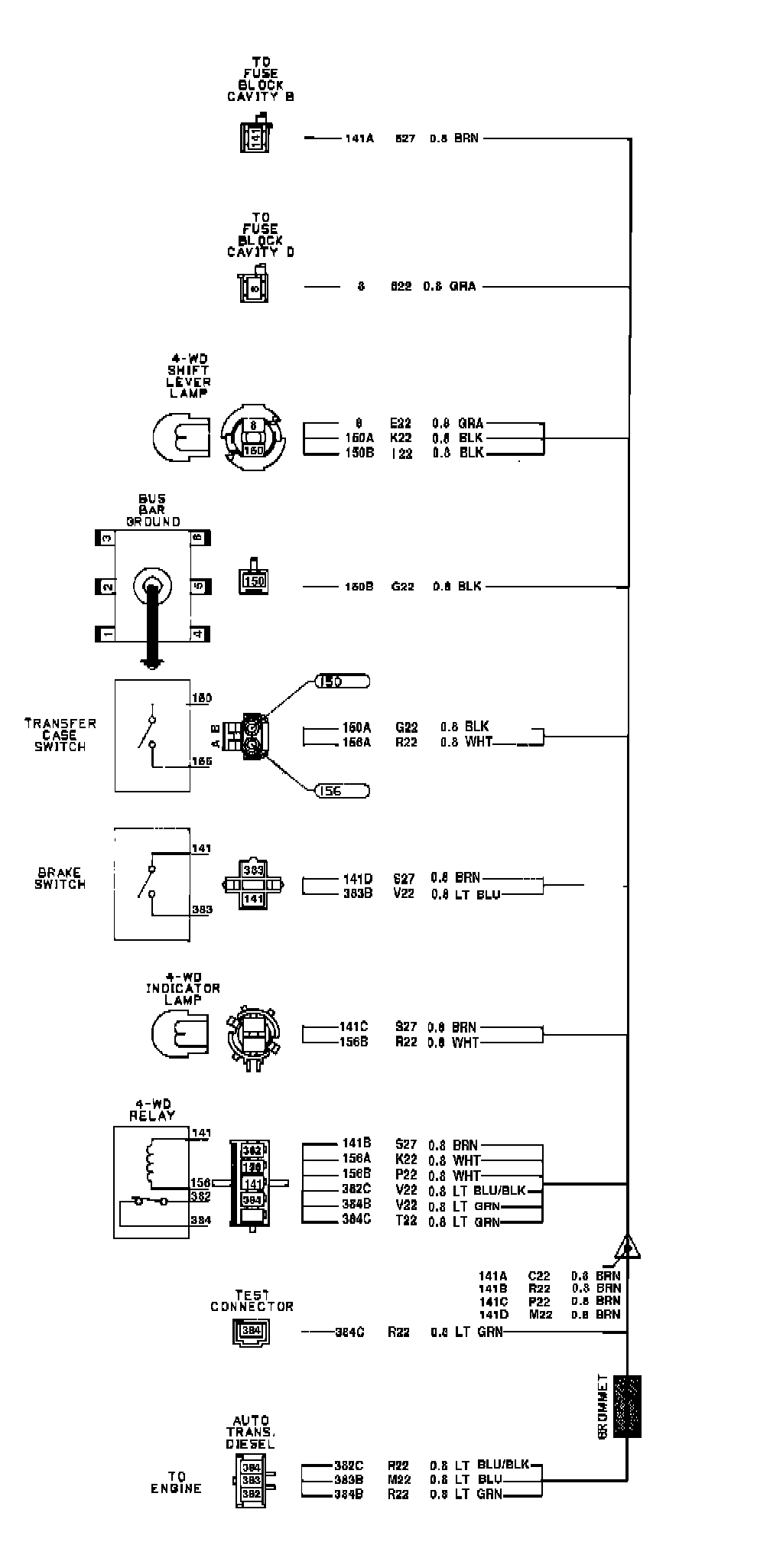
Federal Vehicles
Federal Vehicles
Automatic Transmission Wiring Circuit: