Operation CHARM
: Car repair manuals for everyone.
Home
>>
Chevrolet
>>
1986
>>
K 10 P/U 4WD V8-379 6.2L DSL
>>
Repair and Diagnosis
>>
Diagrams
>>
Electrical Diagrams
>>
Windows
>>
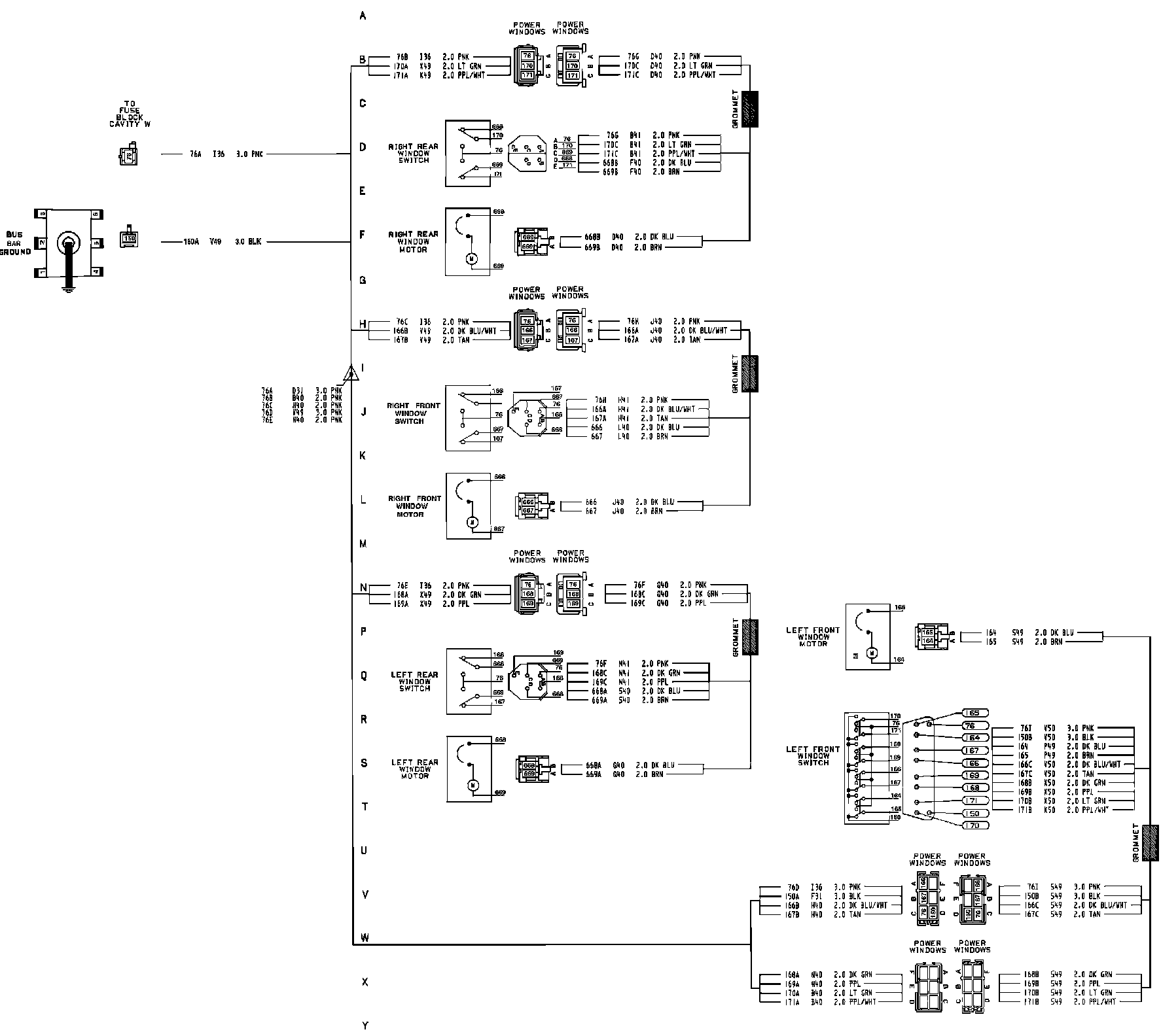
Power Window Wiring Circuit Less Power Door Locks
>>
4 Door
4 Door
Power Window Wiring Circuit (4 Door) Less Power Door Locks: