Operation CHARM
: Car repair manuals for everyone.
Home
>>
Chevrolet
>>
1986
>>
K 10 P/U 4WD V8-379 6.2L DSL
>>
Repair and Diagnosis
>>
Diagrams
>>
Electrical Diagrams
>>
Wiper and Washer Systems
>>
Wiper Motor
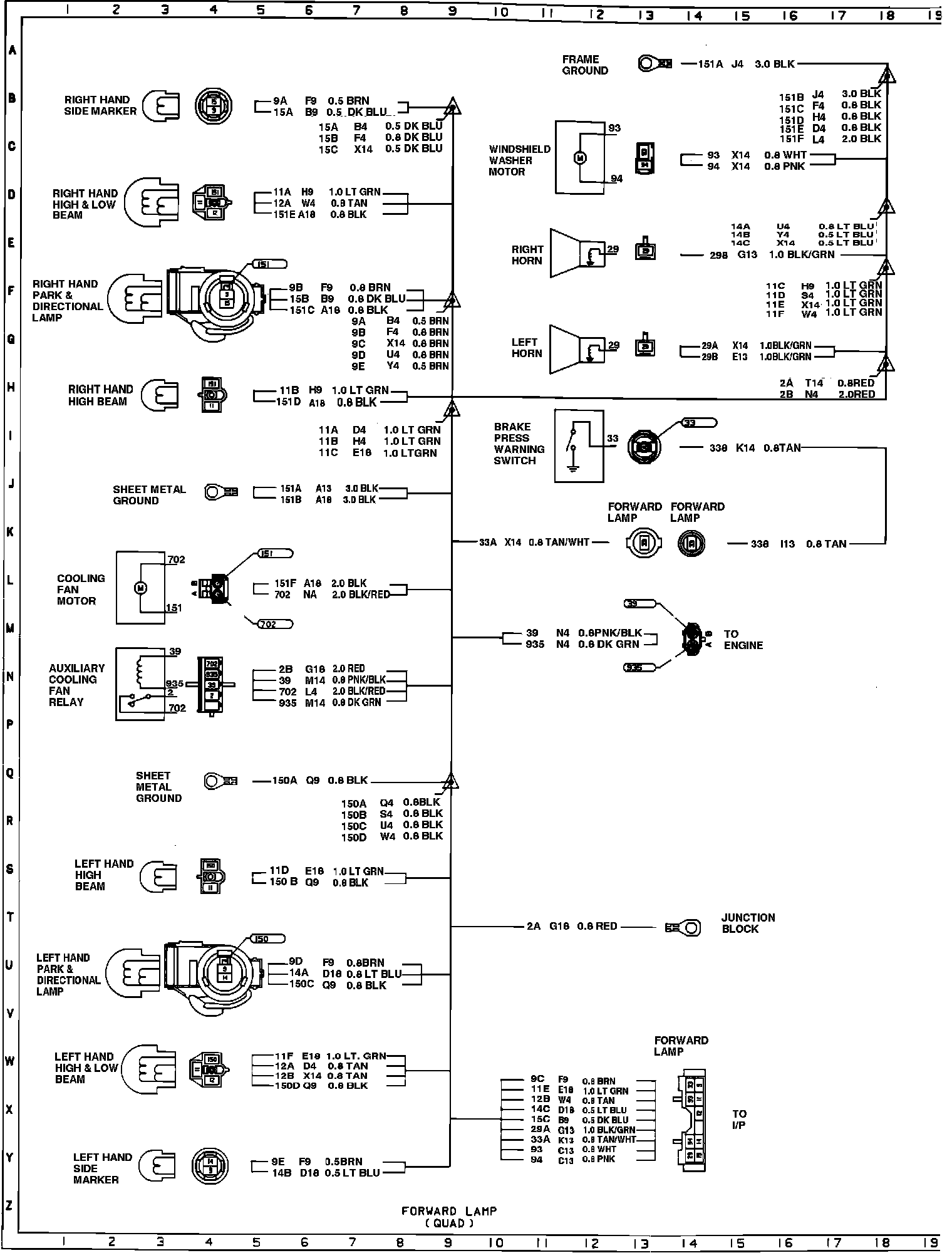
Wiper Motor
Windshield Washer Motor Wiring Circuit: