Shift Cable: Adjustments
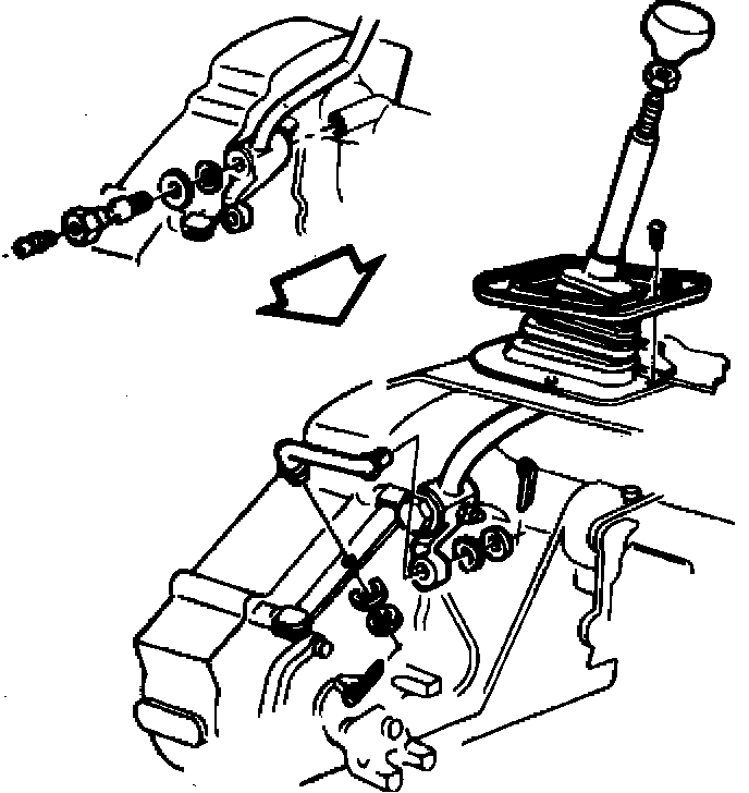
Fig. 1 Transfer case shift linkage.. New Process Model 205:

NEW PROCESS MODEL 205
The control linkage for New Process Model 205 transfer cases is shown in Fig. 1. Inspect linkage system periodically for freedom of operation, proper engagement or loose attaching bolts. Adjust, clean and tighten as necessary.
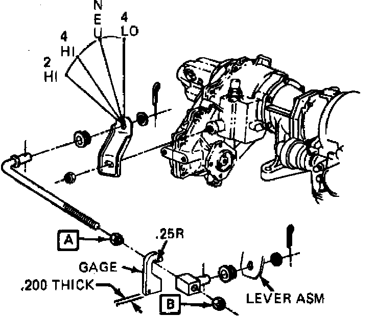
Fig. 2 Transfer case shift linkage adjustment. New Process Model 208:

NEW PROCESS MODEL 208
1. Position transfer case shift lever in 4 Hi detent.
2. Push lower shifter lever forward to 4 Hi stop, then install rod swivel into shift lever hole.
3. Install .200 inch gage behind swivel as shown, Fig. 2.
4. With shifter against 4 Hi stop, tighten rod nut (A) until it contacts gage.
5. Remove gage, then push swivel rearward against nut (A) and tighten nut (B).