A/T - Elimation of Throttle Valve Sleeve
NUMBER: 86-B-66GROUP: 7A-Automatic Transmission
DATE: April, 1986
SUBJECT: 1986 SERVICE MANUAL UPDATE FOR ELIMINATION OF THE THROTTLE VALVE SLEEVE
MODELS: 1982-86 LIGHT DUTY MODELS WITH THM 700-R4 AUTOMATIC TRANSMISSION
Figure No. 1 - THM 700-R4 Transmission Identification Information:

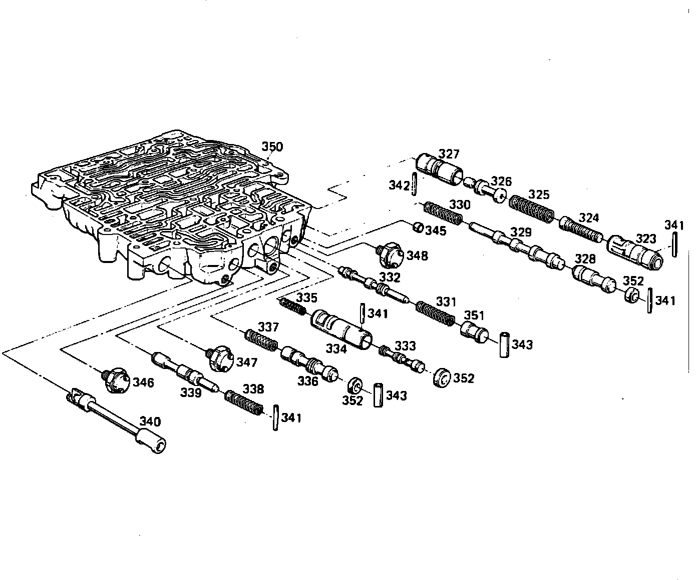
Figure No. 2 - Previous Control Valve Assembly-Exploded View:

Beginning on October 21, 1985, (Julian Date 294) (refer to Figure No. 1), all 1986 THM 700-R4 transmissions have been built with control valve assemblies that do not use a throttle valve sleeve (refer to item No. 327 in Figure No. 2) with the throttle valve (item No. 326). When servicing 1982 through 1985 model year THM 700-R4 transmis- sions, the sleeveless valve body may be used in place of the sleeve type valve body. Only the sleeveless valve body will be available when the current parts stock has been depleted.
Figure No. 3 - Revised Illustration:

Figure No. 4:

In order to update the appropriate Service Manuals, revised illustrations (refer to Figures No. 3, No. 4 and No. 5) have been provided.
Figure No. 4:

ILL.
NO. DESCRIPTION
301 VALVE, T.V. MODULATOR DOWNSHIFT 302 SPRING, T.V. MODULATOR DOWNSHIFT VALVE 303 VALVE, T.V. MODULATOR UPSHIFT 304 SPRING, T.V.. MODULATOR UPSHIFT VALVE 305 SLEEVE, CONVERTER CLUTCH THROTTLE 306 SPRING, CONVERTER CLUTCH THROTTLE 307 VALVE, CONVERTER CLUTCH THROTTLE 308 VALVE, CONVERTER CLUTCH SHIFT 309 SLEEVE, 3-4 THROTTLE VALVE 310 SPRING, 3-4 THROTTLE VALVE 311 VALVE, 3-4 THROTTLE 312 VALVE, 3-4 SHIFT 313 SLEEVE, 2-3 THROTTLE VALVE 314 SPRING, 2-3 THROTTLE VALVE 315 VALVE, 2-3 THROTTLE 316 VALVE, 2-3 SHIFT 317 SLEEVE, 1-2 THROTTLE VALVE 318 SPRING, 1-2 THROTTLE VALVE 319 VALVE, 1-2 THROTTLE 320 SLEEVE, LO RANGE CONTROL 321 VALVE, 1-2 LO RANGE DOWNSHIFT 322 VALVE, 1-2 SHIFT 323 SLEEVE, THROTTLE VALVE PLUNGER 324 PLUNGER, THROTTLE VALVE 325 SPRING, THROTTLE VALVE 326 VALVE, THROTTLE 328 VALVE, 3-4 RELAY 329 VALVE, 4-3 SEQUENCE
ILL.
NO. DESCRIPTION
330 SPRING, 4-3 SEQUENCE VALVE 331 SPRING, T.V. LIMIT VALVE 332 VALVE, T.V. LIMIT 333 VALVE, 1-2 ACCUMULATOR 334 SLEEVE, 1-2 ACCUMULATOR VALVE 335 SPRING, 1-2 ACCUMULATOR VALVE 336 VALVE, LINE BIAS 337 SPRING, LINE BIAS VALVE 338 SPRING, 3-2 CONTROL 339 VALVE, 3-2 CONTROL 340 VALVE, MANUAL 341 PIN, COILED SPRING 342 PIN, COILED SPRING 343 RETAINER, SPRING (SLEEVE) 344 PLUG, VALVE BORE 345 PLUG, CUP (.33 DIA.) 346 SWITCH ASM., PRESSURE (3RD CLUTCH) 347 SWITCH ASM., PRESSURE (4-3 PULSE) 348 SWITCH ASM., PRESSURE (4TH CLUTCH) 349 SWITCH ASM., PRESSURE (T.C.C. SIGNAL) 350 BODY, CONTROL VALVE 351 PLUG, T.V. LIMIT 352 PLUG, VALVE BORE (12.5 - O.D.) 353 VALVE, 1-2 LO RANGE UPSHIFT 354 PLUG, CONVERTER CLUTCH SHIFT VALVE BORE (ECM CONTROLLED VEHICLES) 355 PLUG, CONVERTER CLUTCH T.V. BUSHING BORE (ECM CONTROLLED VEHICLES)