M/T - New Leak Resistant Styrene Rubber Coated Gaskets
88chevy13
GMC NUMBER: 88-T-127
GROUP: 7B - Manual Transmission
DATE: July, 1988
CORPORATE
NUMBER: 877211
SUBJECT: SERVICE AND PARTS INFORMATION ON THE NEW LEAK RESISTANT STYRENE RUBBER COATED FIBER GASKETS
MODELS: 1968-88 C/K, R/V, P4 ,B6, C5, C6, C7 VEHICLES EQUIPPED WITH HM-117 (OPT M- 20) CH/SM 465 (OPT ML8) MANUAL TRANSMISSION
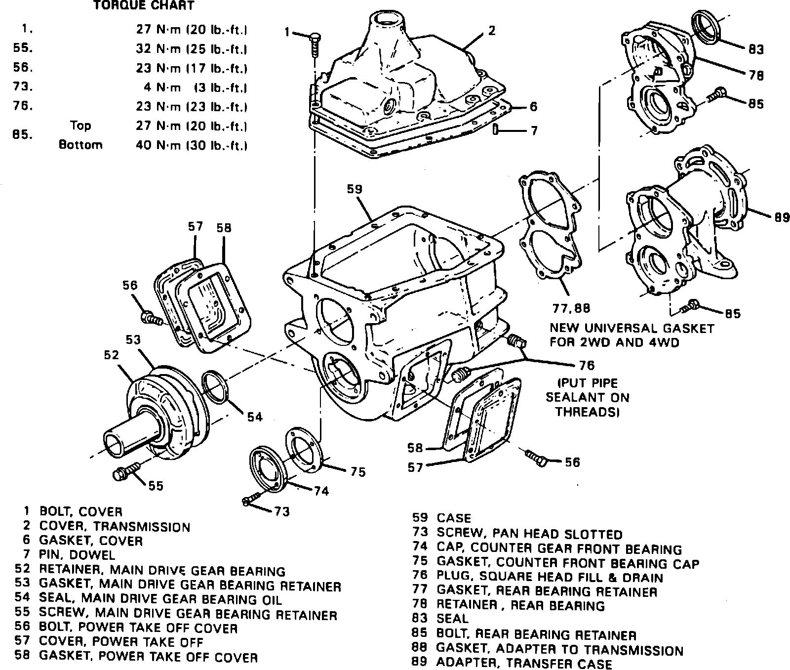
FIGURE 1 - NEW-GASKETS:

BULLETIN COVERS: (Figure No. 1)
Service information on vehicles equipped with a HM-117 or CH/SM 465 manual transmission that may have fluid leaks. These fluid leaks should be serviced with new styrene rubber coated cellulose fiber gaskets, insuring flatness of the case mating surfaces and the addition of sealant to specified parts. The new gaskets are for the (top) cover (6), power take off (PTO) covers (58), main drive gear retainer (53), countershaft front bearing cap (75) and a universal 2WD and 4WD rear bearing retainer gasket (77 and 88).
FIGURE 2 - HM-117 TRANSMISSION IDENTIFICATION INFORMATION CH/SM 465 RPO M20 - MC8:

DATE OF PRODUCTION CHANGE: (Figure No. 2)
All units built after February 15, 1988 will have the new gaskets described above. The jack screw holes in the cover were eliminated for the R/V and P Truck applications on February 4, 1988 and the C/K Truck applications on April 15, 1988.
FIGURE 3 - DOWEL PIN LOCATION:

SERVICE ACTION:
Inspect the case (59) mating surfaces for flatness using a metal straight edge and feeler gauge. If a 0.13 mm (0.005 in.) feeler gauge can be put under the straight edge at any point, replace the case. On models built before July 6, 1987 with a dowel pin hole that goes through the inside of the case, put RTV silicone specified in Service Parts Information around the edge of the dowel pin (7) that is on the cover (2) to prevent leakage (Figure No. 3).
FIGURE 1 - NEW-GASKETS:

For all models, install the new gaskets and put pipe sealant with teflon (TM) or equivalent on all
the bolts. Put pipe sealant with teflon (TM) or equivalent on the drain and fill plugs (76), then torque all bolts and plugs to the specifications listed in Figure No. 1. The countershaft front bearing cap bolt (73) torque specification has been increased to 4 N-m (3 ft.lb.) to prevent leakage.
SERVICE PARTS INFORMATION:
P/N 8672945 New Service Parts Gasket and Seal Package Contents:
Quantity Part Description
1 Gasket, Rear Bearing Retainer (2WD
and 4WD)
1 Gasket, Main Drive Gear Bearing
Retainer
1 Gasket, Countershaft Front Bearing
Cap
2 Gasket, Power Take Off Cover
1 Gasket, Cover
1 Seal, Main Drive Gear Bearing Oil
1 Seal, U-Joint Front Flange Oil
Listed below are sealants referred to in this bulletin:
Quantity Part No. Part Description
1 1052080 Pipe Sealant with Teflon
(TM) (50 ml - 1.69 oz)
1 1052917 RTV Silicone GMS type
B (89 ml - 3 oz)
SERVICE MANUAL REFERENCE:
Refer to the unit repair section of the appropriate service manual for the procedures. Please record this information in any 1988 or earlier model year service manual. 1989 and future service manuals will include these revisions.
SERVICE NOTES:
Refill the transmission with only SAE 80W or SAE 80W-90 gear lubricant. Do not use automatic transmission fluid or engine oil. This may cause
foaming out the vent and durability concerns.
IMPORTANT: Some 1988 C/K Trucks equipped with a HM-117 may leak out the vent. To correct this condition, refer to GMC Truck Bulletin 88-T- 44 which outlines the procedure to add a remote vent system.
On 1988 C/K Trucks (equipped with the remote vent system) do not use a SAE 80W or SAE 80W-90 gear lubricant that has a hypoid additive (a GL5 rating on the label). This may cause a gear oil smell inside of the vehicle.