Antilock Brakes / Traction Control Systems: Service and Repair
ELECTRONIC CONTROL UNIT (ECU)
Do not touch electrical connections and pins or allow them to come into contact with brake fluid.
1. Disconnect battery ground cable.
2. Disconnect electrical connectors from ECU.
3. Pry up tab at rear of ECU and remove unit toward front of vehicle.
4. Slide unit into bracket until tab locks into hole.
5. Inspect electrical connectors for brake fluid contamination, clean with alcohol as needed, then connect electrical connectors to ECU.
Fig. 46 ECU & Control Valve Assembly Installation:

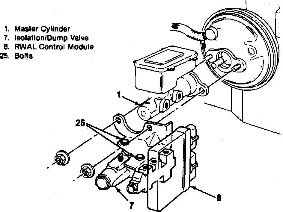
ISOLATION/DUMP VALVE ASSEMBLY
1. Disconnect brake lines from control valve, the plug lines and open fittings.
2. Remove bolts (25) securing control valve, Fig. 2, and support valve assembly. Do nor allow valve assembly to hang from wiring.
3. Disconnect electrical connectors and remove control valve assembly.
4. Reverse procedure to install, then bleed brakes as needed.
SPEED SENSOR
Speed sensor resistance should be 90---2000 ohms. The sensor is not serviceable, and should be replaced if defective. The speed sensor is located in the left rear of the transmission for 2 wheel drive models, or on the transfer case for 4 wheel drive models. On some models with 4 speed manual transmissions (RPO M20), it may be necessary to remove the transmission rear bearing retainer in order to replace the speed sensor.
1. Raise and support vehicle, then disconnect electrical connector from speed sensor.
2. On 2 wheel drive models except models with M20 transmission, remove bolt securing speed sensor retainer. On models with M20 transmission and 4 wheel drive models, loosen sensor with suitable wrench.
3. Position suitable container under sensor, then remove sensor and O-ring.
4. Coat O-ring with transmission fluid, then install O-ring and speed sensor.
5. Torque retainer bolt to 8 ft. lbs. for models with automatic transmission or 9 ft. lbs. for models with manual transmission. On models with M20 transmission and 4 wheel drive models, torque sensor to 32 ft. lbs.
SPEEDOMETER CALIBRATION
The speedometer must be recalibrated to allow proper system operation whenever the rear axle ratio or rear tire size is changed. Calibration requires the use of a speedometer calibration service kit. When servicing the digital ratio adapter and calibrating the speedometer, do not touch the pins on the rear of the instrument cluster as immediate damage to the cluster will occur.
Fig. 3 Speedometer calibration service kit:

Fig. 4 Instrument cluster connections for speedometer calibration:

Fig. 5 Speedometer calibration chart:

1. Remove instrument cluster assembly as outlined.
2. Plug connector from speedometer calibration service kit into rear of cluster, Figs. 3 and 4.
3. Momentarily touch connector leads across battery terminals noting the following:
a. Service kit connector should be used a maximum of 10 times.
b. It is not necessary to momentarily energize calibration system if speedometer has been previously calibrated.
4. Refer to the calibration chart Fig. 5, to determine which pins to remove from the calibration clip, Fig. 3, noting the following:
a. The rectangular end of the clip is the top, and pins are numbered 1---8 from top to bottom.
b. Remove proper pins by bending them back and forth with long nose pliers, taking care not to bend adjacent pins.
5. Insert calibration clip into rectangular slot in rear of cluster, Fig. 4, ensuring pins engage proper holes.
6. Reinstall cluster and check system operation.