Operation CHARM: Car repair manuals for everyone.

Wheel Bolt Torque, Caliper and Lining Material

FIGURE 1 - WHEEL NUT TIGHTENING:




WHEEL BOLT TORQUE:

Overtorqued wheel nuts or torquing wheel nuts without alternating the tightening sequence, especially on aluminum wheels, can also create a rotor runout condition. Refer to Figure 1.

The use of a torque wrench when tightening wheel nuts is necessary to prevent distortion of the rotor, hub or wheel. The wheel nuts should be tightened in two steps to assure an even clamp load.

FIGURE 2 - CALL TO BRACKET CLEARANCE:




CALIPER DRAG:

Caliper drag is usually caused by interference between the caliper to knuckle interface or a caliper bolt binding on the caliper bolt bushing.

Caliper to knuckle clearance is important. Clearance should be checked with the caliper in position and the caliper mounting bolts properly torqued. If excessive clearance exists, a clunking noise may occur on each brake apply. Too little clearance can cause caliper drag. The desired clearance is .005 - .012 in. at each caliper to knuckle bracket interface, or a total of .010 - .024 in. The caliper bracket stops can be filed -to obtain proper clearance. Refer to Figure 2.

FIGURE 3 - LUBRICATING CALIPER CAVITY:




When servicing the caliper, the caliper bolts should be cleaned and the space between the caliper bolt bushings should be filled with silicone grease such as Part Number 1052863 or equivalent. This will prevent the caliper dragging or binding on the mounting bolts. Refer to Figure 3.
LINING MATERIAL ABRASIVENESS:


The degree of abrasiveness of the brake lining material is determined by the manufacturer. A highly abrasive material will tend to create a rotor out-of-parallel condition if system runout and caliper drag are present.
The properties and characteristics of brake linings are specified by Product Engineering. Some brake lining designs may be more aggressive when stopping, i.e. higher friction coefficient, while others are less aggressive but may be very durable and long lasting. The linings for any specific vehicle are selected on the basis of friction, wear, etc., to optimize front and rear braking for that specific vehicle.

The brake lining used should be whatever is recommended by the manufacturer in the parts catalog or in the latest service bulletin.

Brake pedal pulsation can also occur in the rear on drum brakes if there is radial runout in the drum and/or axle flange, or bearing.

Thickness Variation Check:

If a brake pedal pulsation condition is felt, a thickness variation check should be performed on the rotor.

Thickness variation can be checked by measuring the thickness of the rotor at four or more points around the circumference of the rotor. Use a micrometer calibrated in one tenth increments per .001 inch. All measurements must be made at the same distance in, from the edge of the rotor.

A rotor that varies by more than 0.013 mm (0.0005-inch) can cause pedal pulsation and/or front end vibration during brake applications. A rotor that does not meet these specifications should be refinished or replaced as necessary.

Rotor Refinish Recommendations:

Rotor refinish should only be performed because of non-parallelism (thickness variation), runout, or deep scoring grooves deeper than .015 inches. When replacing a rotor with a new rotor from stock it should NOT require refinishing unless ons of the conditions mentioned above is present. Also, routine replacement of disc brake linings does NOT require rotor refinishing.
When rotor refinishing is required the following recommended procedures should be used to obtain the proper micro-inch surface finish which is required for new rotors (10 to 50 micro-inches with non-directional swirl pattern). When refinishing a rotor for a pulsation condition it is recommended that at least 0.010 inch be removed from the inboard and outboard side of the rotor surface to insure removal of the high and low spots on the face of the rotor.


Rough Cut Finish Cut
Spindle 150 rpm 150 rpm
Depth of Cut Per Side .005 inch .002 inch
Tool Cross Feed Per Rev. 0.006-.010 inch .002 inch max.
Vibration Dampener Yes Yes
Swirl Pattern-120 GRIT No yes

The following is also important:
^ The brake lathe must be in good working order and have capability to produce the intended surface finish.

^ Excessive spindle speed or too deep a cut can result in a rough finish.

^ Cutting tools must be sharp.

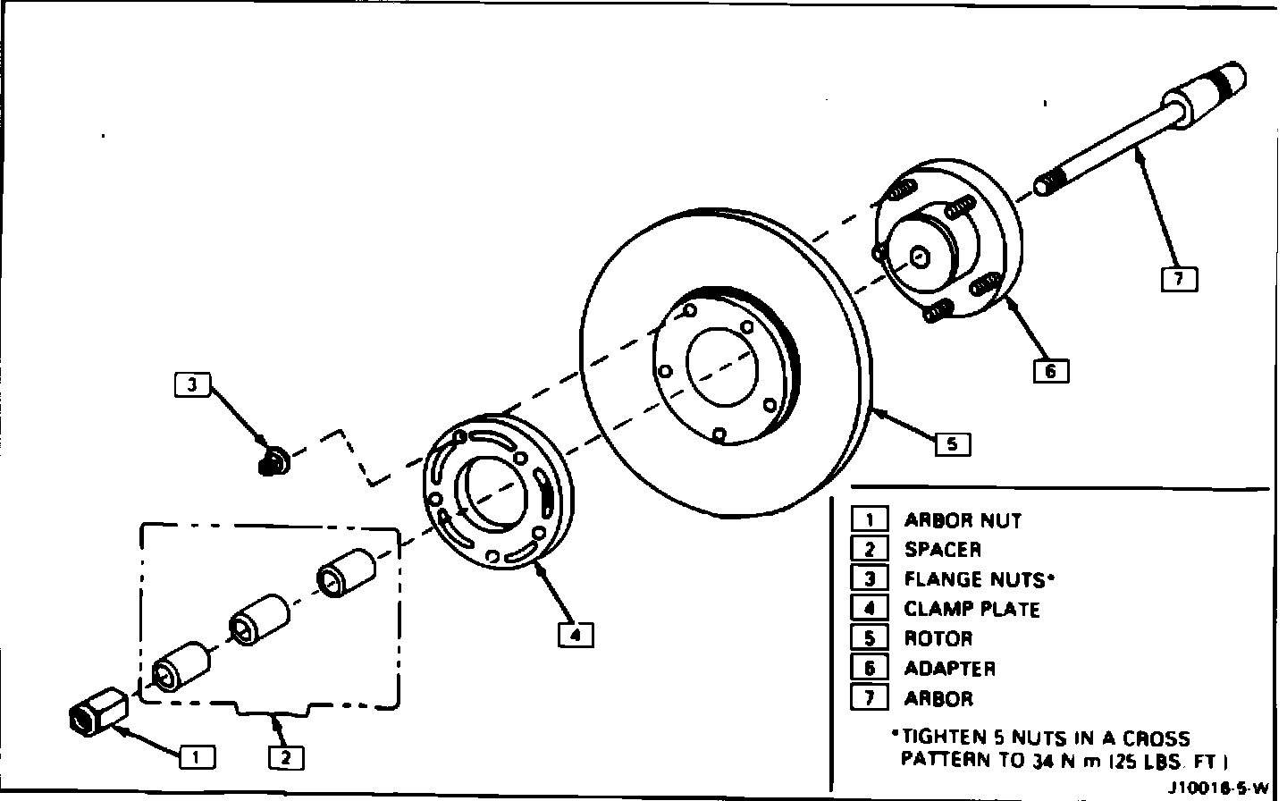
FIGURE 4 - ROTOR MOUNTING ADAPTER - J 37160:




^ Adapters, if used, must be clean and free of nicks. Adapters may be used because of a two piece composite rotor design. (Refer to Figure 4).
^ The rotor surface contacting the arbor and/or the adapter must be free of debris and coarse surface corrosion.

^ If the dealership's rotor turning equipment cannot produce a finish cut equivalent to a new rotor's surface, finish cuts may be further improved and made non-directional by dressing the rotor surface with a sanding disc power tool.

Light scoring of the rotor surfaces not exceeding 0.38 mm (0.015 inch) in depth, which may result from normal use, will not affect brake operation.
To become familiar with the required surface finish, drag a fingernail over the surface of a new rotor from the parts stock or one on a new vehicle. If your brake equipment cannot produce this smooth a finish when correctly used, contact the equipment manufacturer for corrective instructions.

Following these refinishing specifications and recommendations will help to hold the rotor surface finish to the specified range. Controlling the braking surface finish of the rotor is necessary to provide adequate early stopping ability and to avoid pulls and erratic performance and will aid in extending lining life.