Description
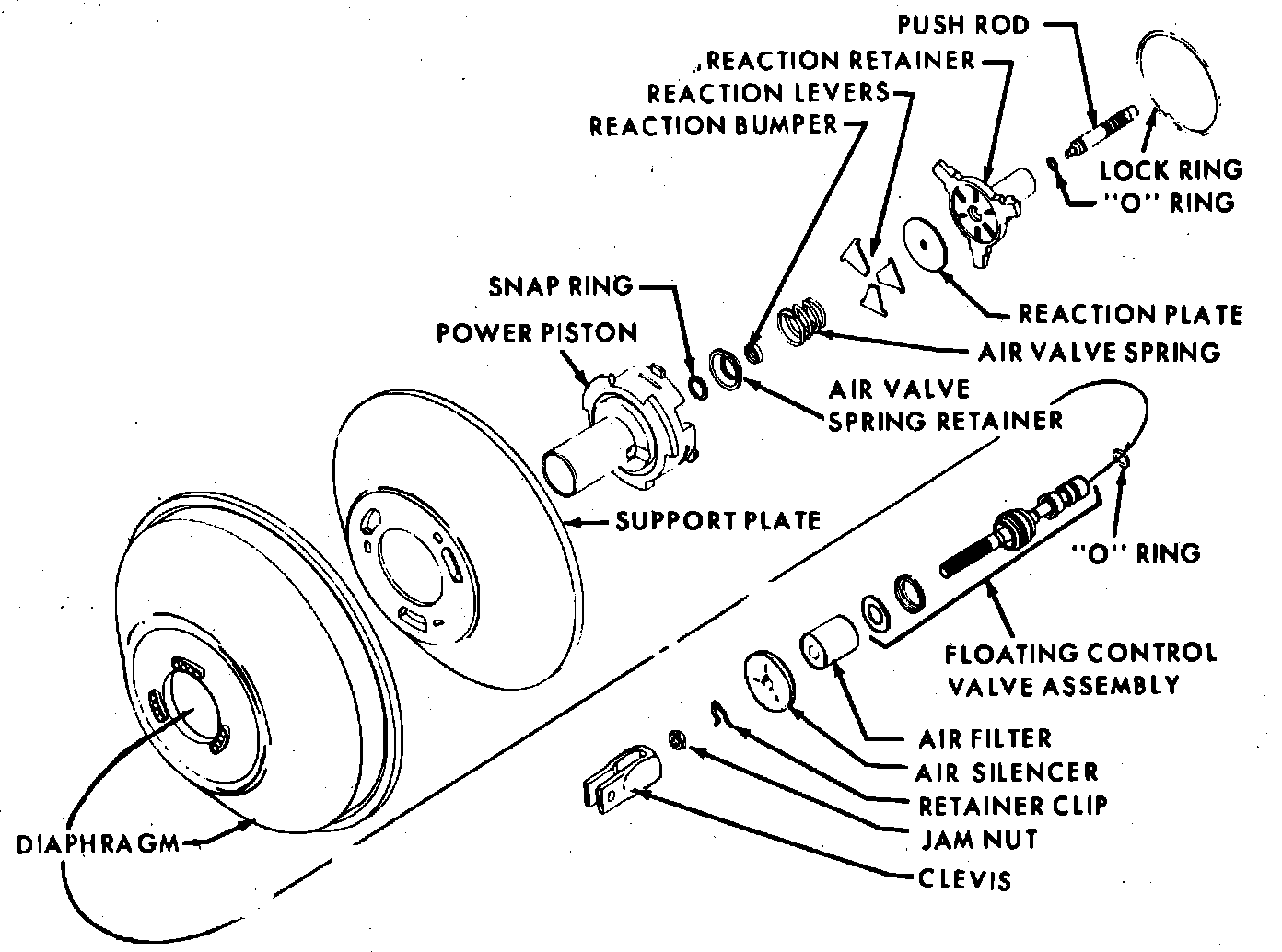
Fig. 1 Delco Moraine single diaphragm power brake unitexploded view:

Fig. 2 Delco Moraine single diaphragm power piston assembly exploded view:

These power brake units, Figs. 1 and 2, are a combination vacuum-hydraulic brake booster of the vacuum suspended type which use engine intake manifold vacuum and atmospheric pressure for its power.
These units consist of a vacuum power section and an hydraulic master cylinder section. The vacuum power section contains a power piston with rolling diaphragm mechanism and power piston return spring.
The control valve is made up of an air valve and floating vacuum control valve assembly. The reaction mechanism consists of an hydraulic piston, reaction plate and a series of levers. The valve operating rod, which operates the air valve, projects from the power section and is connected to the brake pedal linkage.
The hydraulic pushrod operates against the master cylinder piston. A split system (tandem piston) type master cylinder is incorporated into some units. The front half of the master cylinder in the split system operates the rear brakes while the rear half of the master cylinder operates the front brakes.
A vacuum check valve, attached to the front vacuum chamber and connected to the intake manifold, traps vacuum in the power unit at the highest level of vacuum.