Condenser HVAC: Service and Repair
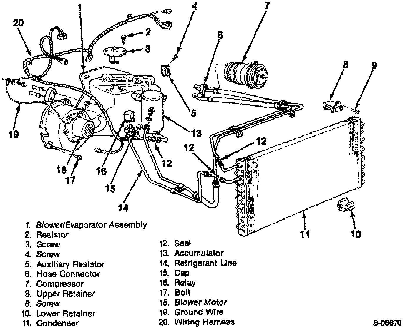
HVAC Component View:

Condenser:

REMOVE OR DISCONNECT
1. Battery ground cable.
2. Discharge the system.
3. Grille assembly.
4. Radiator grille center support.
5. Left grille support to upper fender support (2) screws.
6. Condenser inlet and outlet lines, and the outlet tube at the right end of the condenser.
CAUTION: Cap or plug all open connections.
7. Condenser to radiator support screws.
8. Bend the left grille support outboard to gain clearance for condenser removal.
9. Condenser assembly by pulling it forward and then lowering it from the vehicle.
INSTALL OR CONNECT
1. New condenser.
CAUTION: Add 30 ml (1 ounce) of clean refrigeration oil to a new condenser.
2. Left grille Support.
3. Radiator support screws.
4. Condenser inlet and outlet lines.
CAUTION: Use new seals (O-rings) coated with clear refrigeration when connecting refrigerant lines.
5. Left grille support to the upper fender support screws.
6. Radiator center support.
7. Grille assembly.
8. Battery ground cable.