Operation CHARM
: Car repair manuals for everyone.
Home
>>
Chevrolet
>>
1986
>>
K 10 P/U 4WD V8-379 6.2L DSL
>>
Repair and Diagnosis
>>
Heating and Air Conditioning
>>
Service Port HVAC
>>
Locations
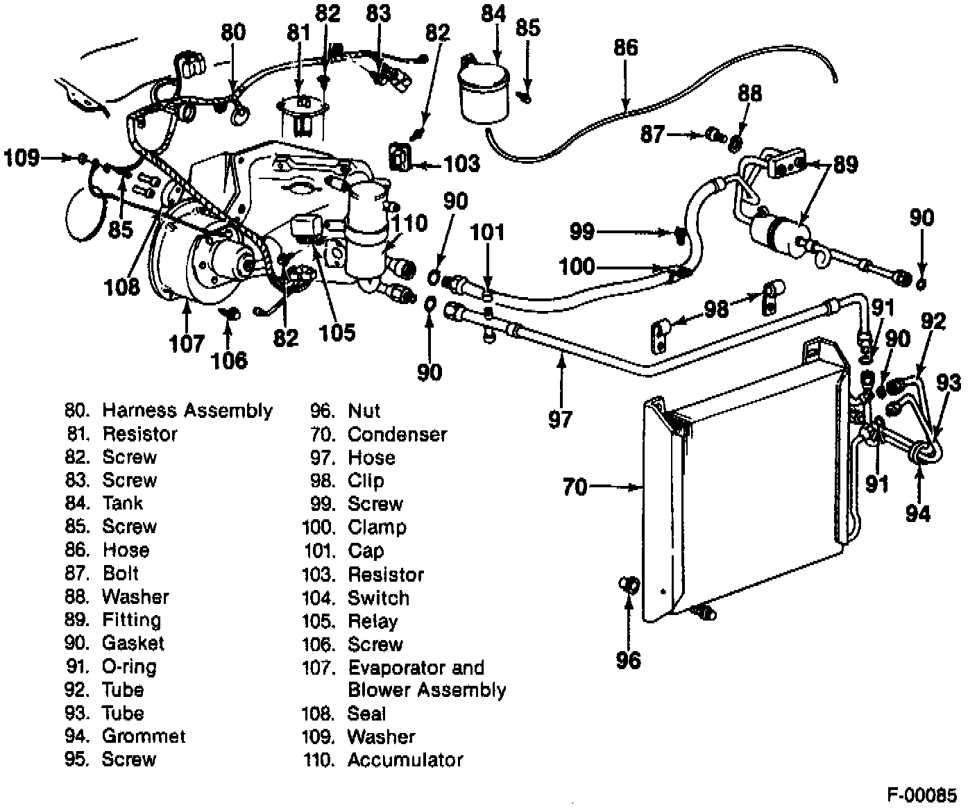
Service Port HVAC: Locations
The high pressure fitting is located either in the high pressure vapor line or muffler, while the low pressure fitting is located on the accumulator.