External Parts
Fig. 1, Transmission case & external parts exploded view (Part 1 of 2). 1986 Models:

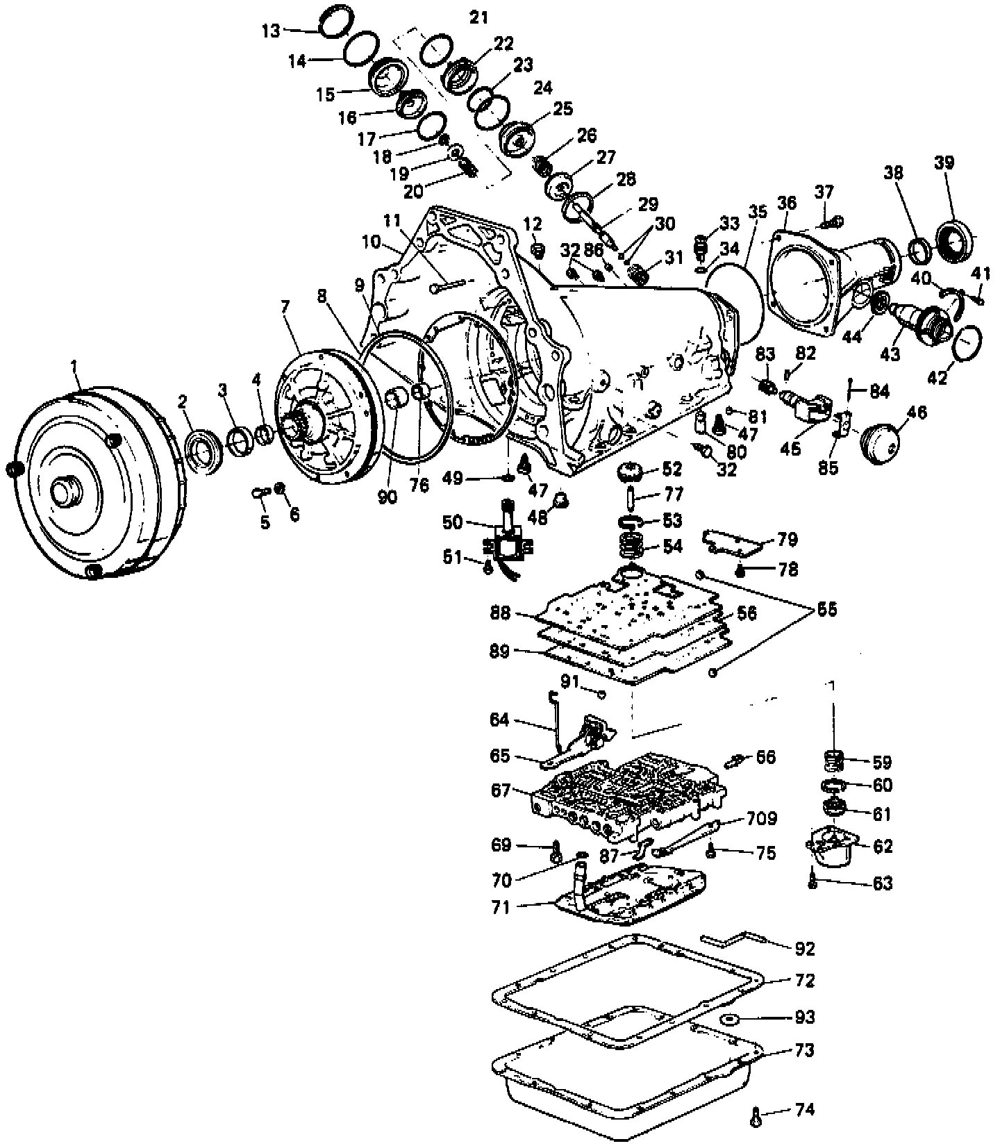
Fig. 1, Transmission case & external parts exploded view (Part 2 of 2). 1986 Models:

Refer to Fig. 1 during disassembly procedures.
1. Remove converter from transmission, then install transmission in a suitable holding fixture.
Fig. 5, Removing servo cover:

2. Drain transmission fluid, then install 2-4 servo cover compressor tool, No. J-29714, on servo assembly, Fig. 5.
3. Remove servo cover retaining ring, servo cover and O-ring seal.
4. Remove 2-4 servo assembly.
5. Check servo pin length as follows:
a. Remove 4th apply piston, then the servo return spring.
b. Remove servo pin retainer ring, washer and apply pin spring.
Fig. 6, Removing or installing 2nd servo snap ring:

c. Remove 2nd apply piston pin, then install piston compressor tool No. J-22269-01, Fig. 6.
d. Remove retainer ring, then the cushion spring retainer and cushion spring.
Fig. 7, 2-4 servo pin selection:

e. Install band apply pin tool, No. J-33037, with apply pin, Fig. 7, then torque assembly to 100 inch lbs.
Fig. 8, Servo pin selection chart:

f. If pin is the correct length, at least part of the white line will appear in window. If white line does not appear, select another pin until correct one is obtained, Fig. 8.
6. On models with mechanical speedometer proceed as follows:
Fig. 9, Input reaction and case assemblies:

a. Remove extension bolts and case extension, Fig. 9.
b. Remove extension seal ring, then the output shaft sleeve and output shaft O-ring seal, if equipped.
c. Remove speedometer drive gear and retainer clip by pushing tab of retainer clip down and tapping speedometer gear off output shaft.
d. Remove governor cover, then the governor assembly.
7. On models with electronic speed sensor, proceed as follows:
a. Remove governor cover, then the governor assembly.
b. Remove speed sensor retaining bolt.
c. Using speed sensor remover/installer tool No. J-38417, remove speed sensor assembly and O-ring seal.
d. Remove extension bolts and case extension.
e. Remove extension seal ring, then the output shaft sleeve and output shaft O-ring seal, if equipped.
8. On all models, remove oil pan attaching bolts, oil pan and gaskets.
f. Remove oil filter and O-ring seal which may be retained in case bore.
g. Remove solenoid attaching bolts, solenoid and O-ring seal.
h. Remove outside electrical connector and O-ring seal.
Fig. 10, 1-2 & 3-4 accumulator assembly. 1986 Models:

i. Remove accumulator cover attaching bolts, 1-2 accumulator cover and piston assembly, Fig. 10.
15. Remove 1-2 accumulator piston, seal and spring, then the oil passage cover attaching bolts and cover.
16. Remove manual detent spring assembly, then the valve body attaching bolts.
17. Remove wire clips and wire harness retaining washer and filter retainer clip.
18. Remove TV lever and bracket assembly, then the TV link.
Fig. 12, Manual valve link:

19. Remove manual valve link, Fig. 12, then the control body assembly.
20. Remove spacer plate and spacer plate gaskets.
Fig. 13, Valve body check balls. 1986 Models:

Fig. 15, Case check balls & filters. 1986 Models:

21. Note number of check balls located under valve body, Fig. 13, and number of check balls located in case, Fig. 15. Remove and ensure to retain check balls.
22. Remove converter clutch and governor screens, then the 3-4 accumulator spring, piston, seal and pin.
23. Check transmission endplay as follows:
a. Remove oil pump bolt and install an 11 inch bolt and locknut.
Fig. 17, Endplay tool:

b. Install endplay adapter tool No. J-25022-A or J-34725, Fig. 17.
Fig. 18, Checking endplay:

c. Install oil pump remover tool, No. J-24773-A, and suitable dial indicator, Fig. 18.
d. Zero dial indicator and check endplay. Endplay should be .005-.036 inch.