External Parts


NOTE: Refer to images during disassembly procedures.
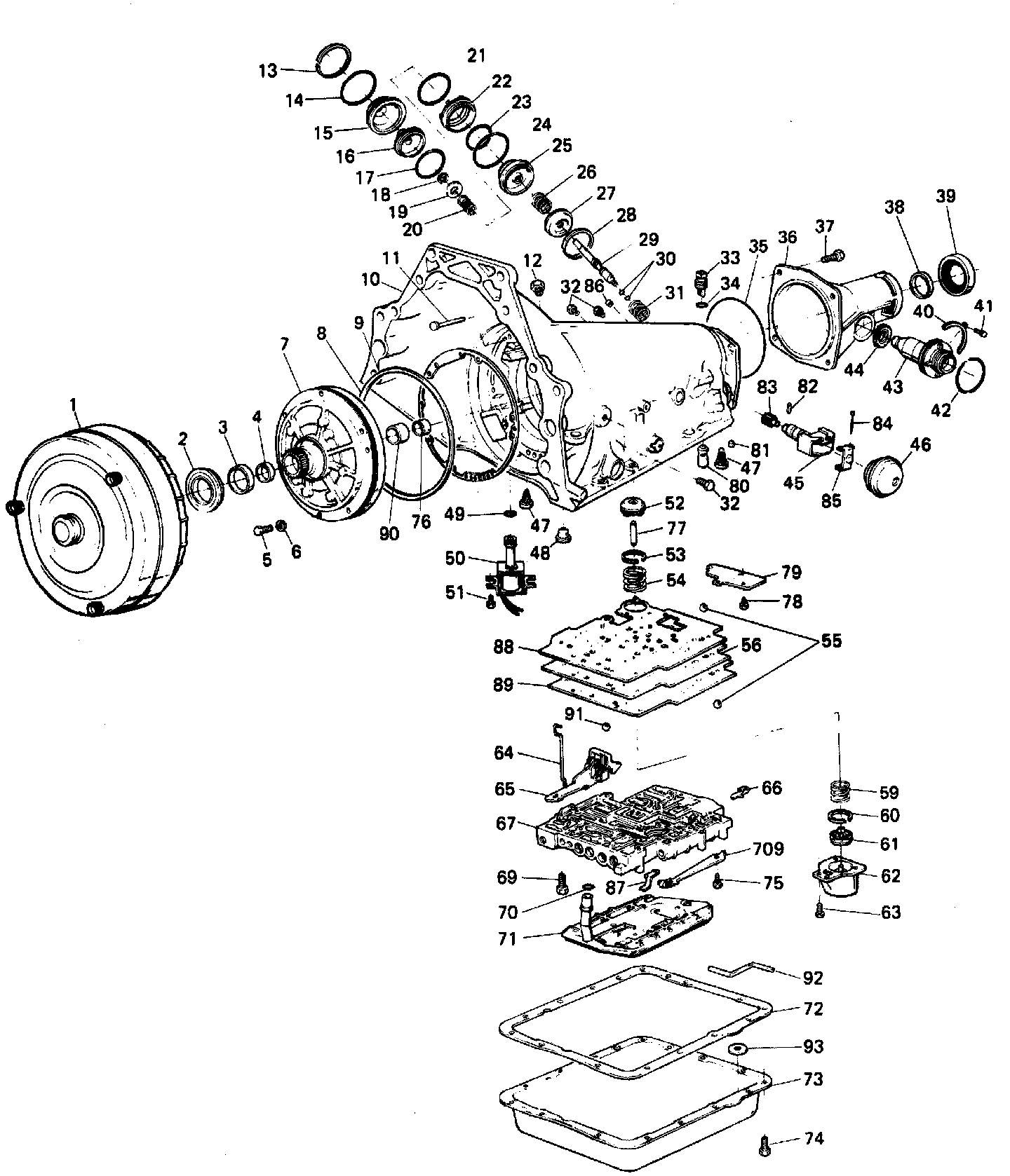
1. Remove converter from transmission, then install transmission in a suitable holding fixture.

2. Drain transmission fluid, then install 2-4 servo cover compressor tool No. J-29714 on servo assembly.
3. Remove servo cover retaining ring, servo cover and O-ring seal.
4. Remove 2-4 servo assembly.
5. Check servo pin length as follows:
a. Remove 4th apply piston, then the servo return spring.
b. Remove servo pin retainer ring, washer and apply pin spring.

c. Remove 2nd apply piston pin, then install piston compressor tool No. J-22269-01.
d. Remove retainer ring, then the cushion spring retainer and cushion spring.


e. Install band apply pin tool No. J-33037 with apply pin, then torque assembly to 100 inch lbs. If pin is the correct length, at least part of the white line will appear in window. If white line does not appear, select another pin until correct one is obtained.

6. Remove extension bolts and case extension.
7. Remove extension seal ring, then the output shaft sleeve and output shaft O-ring seal, if equipped.
8. Remove speedometer drive gear and retainer clip by pushing tab of retainer clip down and tapping speedometer gear off output shaft.
9. Remove governor cover, then the governor assembly.
10. Remove oil pan attaching bolts, oil pan and gaskets.
11. Remove oil filter and O-ring seal which may be retained in case bore.
12. Remove solenoid attaching bolts, solenoid and O-ring seal.
13. Remove outside electrical connector and O-ring seal.

14. Remove accumulator cover attaching bolts, 1-2 accumulator cover and piston assembly.
15. Remove 1-2 accumulator piston, seal and spring, then the oil passage cover attaching bolts and cover.
16. Remove manual detent spring assembly, then the valve body attaching bolts.
17. Remove wire clips and wire harness retaining washer and filter retainer clip.
18. Remove T.V. lever and bracket assembly, then the T.V. link.

19. Remove manual valve link, then the control body assembly.
20. Remove spacer plate and spacer plate gaskets.


21. Note number of check balls located under valve body, and number of check balls located in case. Remove and ensure to retain check balls.
22. Remove converter clutch and governor screens, then the 3-4 accumulator spring, piston, seal and pin.
23. Check transmission endplay as follows:
a. Remove oil pump bolt and install an 11 inch bolt and locknut.

b. Install endplay adapter tool No. J-25022-A or J-34725.

c. Install oil pump remover tool No. J-24773-A and suitable dial indicator.
d. Zero dial indicator and check endplay. Endplay should be 0.005-0.036 inch.