Operation CHARM: Car repair manuals for everyone.

Service Procedure

Figure 3 - Handle Clip Remover:




Figure 4 - Handle Clip Remover, Rear View:




Figure 5 - Door Trim Pad Clip Remover:




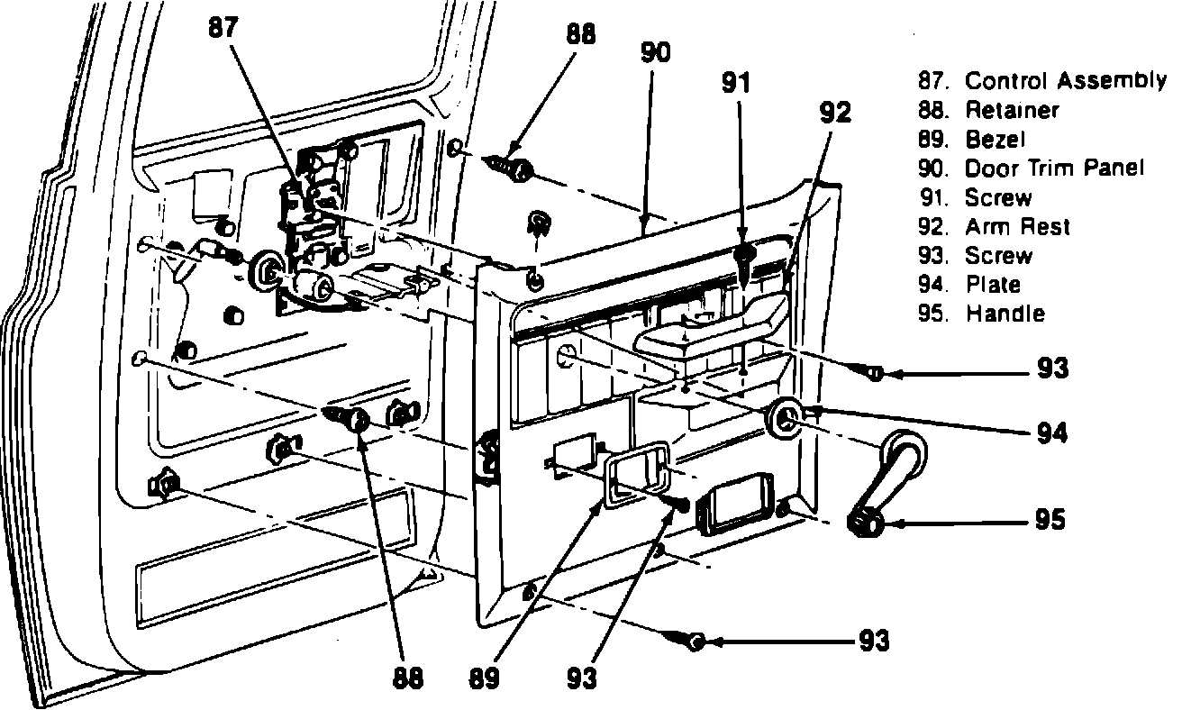
Figure 6 - Door Trim Panel Components:




Figure No. 7:




The installation/removal procedures are as follows:

Tools required:
J9886-01 Door handle clip remover.
J24595-B Door trim pad clip remover.

REMOVE OR DISCONNECT (see Figures 3-6)

1. Remove window regulator handle using J9886-01 (see Figures 3 and 4)
2. Remove lock knob.
3. Remove arm rest bracket screws (91).
4. Remove arm rest from the rest of the door.
5. Remove strap assembly covers (if equipped).
6. Remove strap assembly screws (if equipped).
7. Disconnect strap assembly (if equipped).
8. Remove inside door arm rest plate.
9. Remove inside door handle assembly and rod.
10. Remove door trim panel to door retainers using J24595-B (see Figure 5).
11. Disconnect all electrical connections to door trim panel (if equipped with power locks and/or windows).

NOTE: Pry the tops of the panel away from the side seal clips.

INSTALL OR CONNECT (see Figures 1-7)

Note: Check that all the trim retainers are securely fastened, and are not damaged. Replace damaged fasteners.

1. Clean the area where the seal will be applied with a grease or wax remover.
2. Install new style seal assembly (see Figure 7).
3. Install top and lower foam seals (see Figures 1 and 2).
4. Connect all electrical connections to door trim panel (if equipped with power locks and/or windows).
5. Install door trim panel onto the door side window seal clips.
6. Install inside door handle assembly and rod.
7. Install door trim retainers into the door panel.
8. Install door trim panel to door screws (22).
9. Install strap assembly covers (if equipped).
10. Install strap assembly screws (if equipped).
11. Install strap assembly (if equipped).
12. Install arm rest to the door.
13. Install arm rest to arm rest bracket screws (91).
14. Install manual door lock knob.
15. Install window regulator handle.