Dana/Spicer
Fig. 1 Exploded View Of Dana Rear Drive Axle With 10 1/2 Inch Ring Gear:

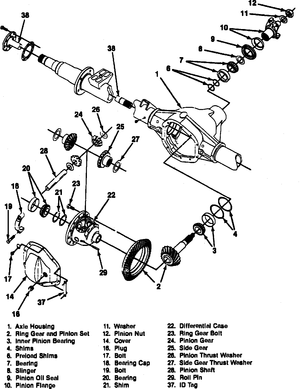
Fig. 2 Exploded View Of Dana Front & Rear Drive Axle With 9 3/4 Inch Ring Gear:

Fig. 3 Spreading Differential Carrier:

Fig. 4 Removing Companion Flange:

1. Remove axle shafts as outlined in service section.
2. Remove plug and drain lubricant from carrier.
3. Remove carrier cover attaching screws, then the cover and gasket, Figs. 1 and 2.
4. Mark one side of carrier and matching bearing cap for assembly reference, then remove the bearing caps.
5. Spread carrier a maximum of .015 inch using differential carrier spreader tool No. J-24385 or equivalent and a suitable dial indicator, Fig. 3.
6. Remove dial indicator, then lift differential case from carrier using a suitable prybar. Measure and record dimensions and note location of side bearing shims for assembly reference, then remove spreader tool.
7. Measure pinion rotating torque with suitable torque wrench. If no preload is present, shake companion flange to check for looseness of pinion assembly. If pinion assembly is loose, the bearing must be replaced.
8. Install holder tool No. J-8614-11 or equivalent on flange using two bolts and flat washers. Position tool with four notches toward flange, then remove and discard pinion nut and washer.
9. Remove companion flange using tools shown in Fig. 4.
10. Remove drive pinion from carrier, tapping with a soft-faced hammer, if necessary.
11. Tap on inner race of outer pinion bearing, using a long drift, and remove pinion oil seal, slinger, gasket, outer pinion cone and roller and shim pack. Mark and retain shim pack for assembly.
12. If necessary, drive pinion bearing cups out of carrier, then remove shims and oil slinger from behind inner bearing cup. Mark shims and retain for assembly.
13. Inspect components and replace as necessary.