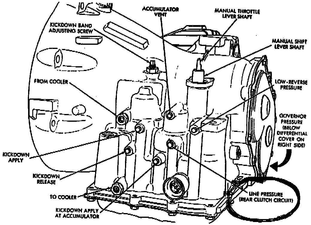
A/T - Pressure Tap Locations
TSB: 86-34 (July)SUBJECT PRESSURE HOOK UPS
The following pictures were selected to answer one of the most often asked questions -- "Where do I hook up my pressure gauge?"
Not only do these pictures indicate control (mainline) pressure taps, some of them show clutch and/or band apply taps.
This will facilitate quick and accurate hook-up, for easy diagnosis.
The following illustrations will indicate pressure taps for the above mentioned transmission units.

AOD

FORD A4LD

FORD ATX

THM 125/125C

THM 180/180C

THM 200 4R

250/250 C/350/350 C

THM 440 T4

700 R4

THM 325/325 4L

A 404/413/415/470