Operation CHARM
: Car repair manuals for everyone.
Home
>>
Chevrolet
>>
1986
>>
K 10 P/U 4WD V8-379 6.2L DSL
>>
Parts and Labor
>>
Engine, Cooling and Exhaust
>>
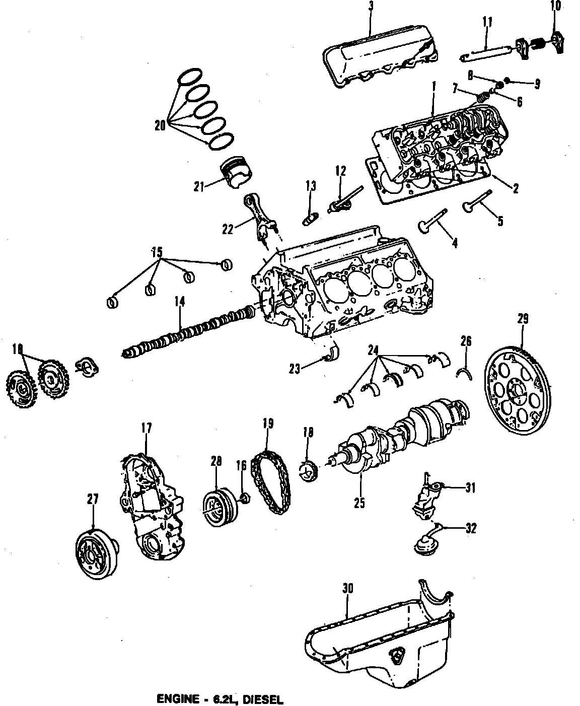
Engine
>>
Images
Images
Engine: