Warner T-4C 4 Speed

1. Drain transmission lubricant and thoroughly clean outside of transmission assembly.

2. Remove roll pin that attaches offset lever to shift rail.
3. Remove retaining bolts from extension housing, then separate extension housing from transmission case and remove housing and offset lever as an assembly.

4. Remove detent ball and spring from offset lever, then remove roll pin from extension housing or offset lever.
5. Remove attaching bolts from transmission shift cover and remove the shift cover.

6. Remove clip which retains reverse lever to reverse lever pivot bolt, then remove the bolt and remove reverse lever and fork as an assembly.
7. Scribe position of front bearing cap to transmission case, then remove front bearing cap bolts and bearing cap.

8. Remove snap rings from front drive gear bearing, then, using appropriate tools, remove the front bearing.

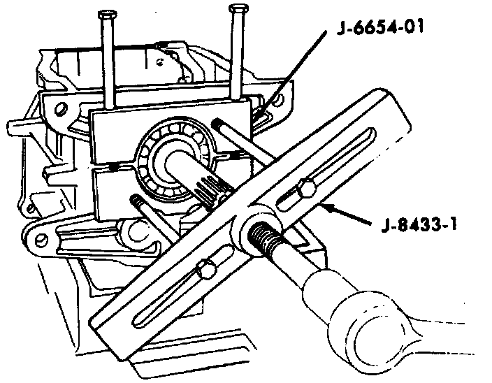
9. Remove snap rings from rear bearing and mainshaft, then, using appropriate tools, remove the bearing.
NOTE: New front and rear bearings must be installed when assembling the transmission.
10. Remove drive gear from mainshaft and transmission case, then remove mainshaft from transmission case.

11. Remove roll pin retaining reverse idler gear shaft from transmission case and remove idler gear and shaft from case.
12. Using loading tool J-26624, remove countershaft from rear of case, then remove countershaft gear and loading tool as an assembly from the case together with the thrust washers.