MUNCIE 5LM60 (HM-290) 4 & 5 Speed
Fig. 3 Four Wheel Drive Transmission Gear Components:

Fig. 4 Four Wheel Drive Transmission Shift Mechanism And Case Components:

Fig. 5 Installation Of Holding Fixture:

1. Remove idler shaft support bolt (311) and bottom two bolts. Refer to Figs. 3 and 4 to aid in disassembly and assembly of transmission.
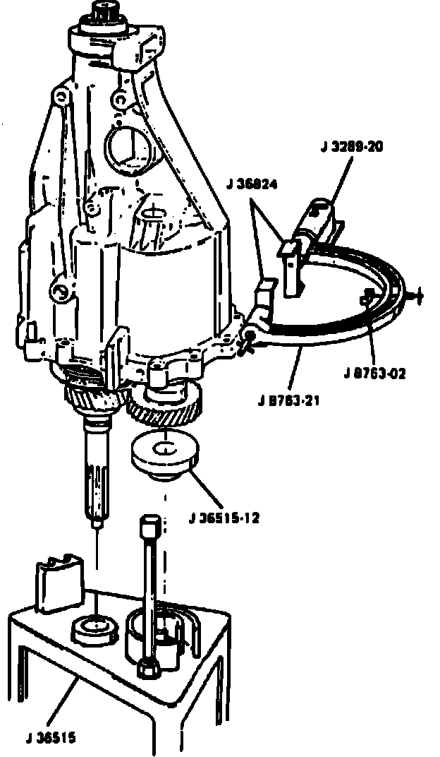
2. Install holding fixture tools as shown in Fig. 5.
3. Remove back-up lamp switch assembly.
4. Remove detent plug (245) using plug remover tool No. J-36509 and No. J-23907 or equivalents, then remove spring (244) and plunger (243).
5. Remove two bolts (236), detent spring cover (325), springs (324) and balls (323).
6. Remove output shaft oil seal (320) using seal remover tool No. J-36825 and No. J-23907 or equivalents. Screw No. J-36825 into one of three perforated holes in seal.
7. Position unit vertically and remove six bolts (204) and input shaft retainer assembly (205). Save input bearing retainer washer (208).
8. Remove selective snap ring (210), input shaft spacer (211), ball bearing inner race (215) and shim (212), then position horizontally.
9. Remove front housing to rear housing bolts (312) and drive dowels (321) from front housing, then remove front housing (200).
10. Remove countershaft bearing (203).
11. Remove ball bearing inner race (217) and roller bearing (218).
12. Remove idler shaft support (310) and four rollers (118), then remove roll pin (120) by pulling shift shaft forward and cocking it to detent cover side. Support shift shaft end while driving out finger roll pin. Slide shaft all the way back and cock over to detent spring cover side.
13. Remove shift shaft socket assembly roll pin (122). Pin will fall into case. Do not use excessive force as this will ``peen'' shift shaft and damage rear housing shift shaft bearing, causing increased shift effort.
14. Remove shift shaft (116), shift shaft socket assembly (123) and finger (121).
15. Remove 3rd and 4th shift fork roll pin (107) using large pair of diagonal cutters to pry it out. If roll pin (107) breaks off, place transmission in 3rd gear, cut off remainder of roll pin and drive through.
16. Remove plug (326) by hitting it on one side, thus cocking it.
17. Remove 3rd & 4th rail (109) as follows:
a. Ensure 1-2 and 5-reverse rails are in neutral.
b. Drive through the plug hole (326) enough to expose roll pin hole (107), then insert punch and pull out shift rail while twisting it.
Fig. 6 Removing & Installing Special Tools:

Fig. 9 Removing Threaded Thrust Rings:

Fig. 10 Removing Rear Housing. Four Wheel Drive Models:

18. Install assembly pallet with countershaft adapter tool No. J-36515 with tool No. J-36515-12, Fig. 6 and remove tool No. J-8763-02 and tool No. J-36824. Remove two interlock balls (323).
19. Lock up transmission in 2nd and 4th gear by sliding 1st and 2nd shift rail assembly (100) and 3rd and 4th shift fork (108) downward towards assembly pallet tool No. J-36515. Remove spiral roll pin (42) using output shaft spanner tool No. J-36516, Figs. 9 and 10.
20. Remove snap ring (43), inner threaded thrust ring (41), ball (40) and out threaded thrust ring (39). Hold countershaft against mainshaft and turn output shaft spanner tool No. J-36516, Fig. 9, clockwise until both threaded thrust rings are completely apart.
21. Remove rear housing assembly (301). Save ball bearing outer race (38) that is left in rear housing.
22. Remove countershaft bearing (203) and countershaft (53).
23. Remove reverse idler assembly (46), 5th-reverse shift rail assembly (100) and 3rd-4th shift fork (108).
24. Remove mainshaft assembly (5). Leave synchronizer ring (2) on 3-4 synchronizer assembly (7) to prevent synchronizer detent balls (9) from popping out.
25. Remove input shaft gear (1) and pilot bearing (3).