Operation CHARM
: Car repair manuals for everyone.
Home
>>
Chevrolet
>>
1986
>>
K 10 P/U 4WD V8-379 6.2L DSL
>>
Parts and Labor
>>
Transmission and Drivetrain
>>
Drive Axles, Bearings and Joints
>>
Axle Shaft Assembly
>>
Images
Images
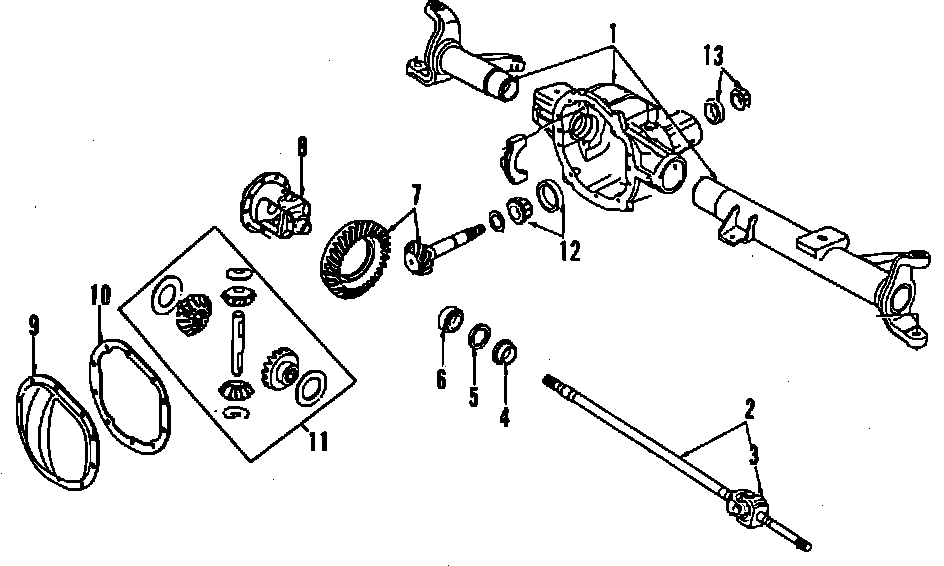
Front Axle:
Rear Axle, 8.50:
Rear Axle, 9.50:
Rear Axle, 10.50: