Operation CHARM
: Car repair manuals for everyone.
Home
>>
Chevrolet
>>
1986
>>
K 10 P/U 4WD V8-379 6.2L DSL
>>
Parts and Labor
>>
Transmission and Drivetrain
>>
Transfer Case
>>
Images
Images
Type 205:
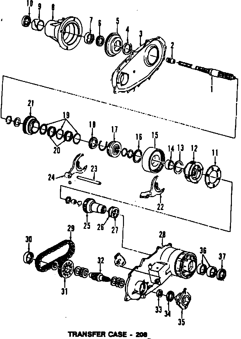
Type 208: