Operation CHARM
: Car repair manuals for everyone.
Home
>>
Chevrolet
>>
1986
>>
K 10 P/U 4WD V8-379 6.2L DSL
>>
Parts and Labor
>>
Steering and Suspension
>>
Steering
>>
Images
Images
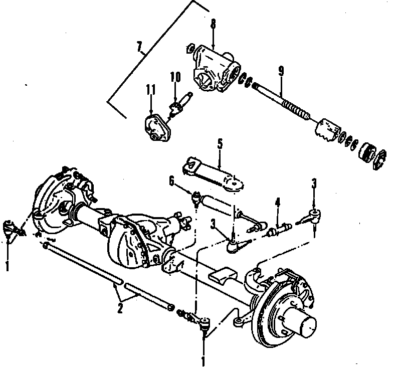
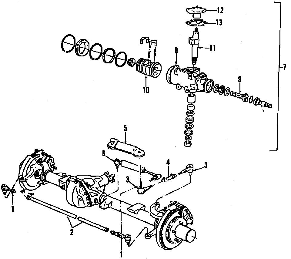
Power Steering Gear:
Manual Steering Gear:
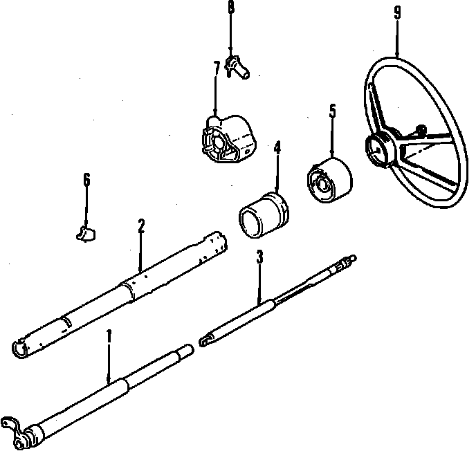
Steering Column, Without Tilt:
Steering Column, With Tilt: