Operation CHARM
: Car repair manuals for everyone.
Home
>>
Chevrolet
>>
1986
>>
K 10 P/U 4WD V8-379 6.2L DSL
>>
Repair and Diagnosis
>>
Transmission and Drivetrain
>>
Manual Transmission/Transaxle
>>
Diagrams
>>
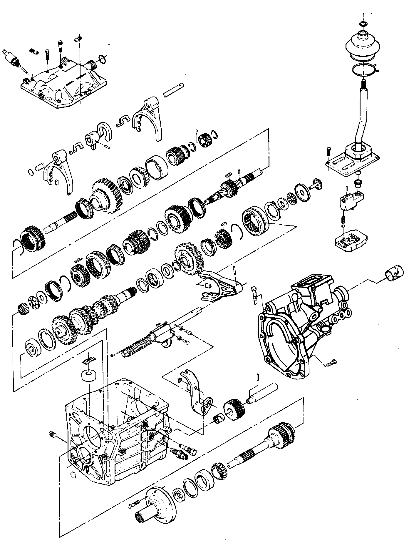
Warner T5 (77mm) 5-Speed
Warner T5 (77mm) 5-Speed